Jaaj.sk je nový FREE porovnávač produktov a cien. Budujeme AI alternatívu ku klasickým porovnávačom

Spúšťame databázu
Produkty • kategórie • porovnania

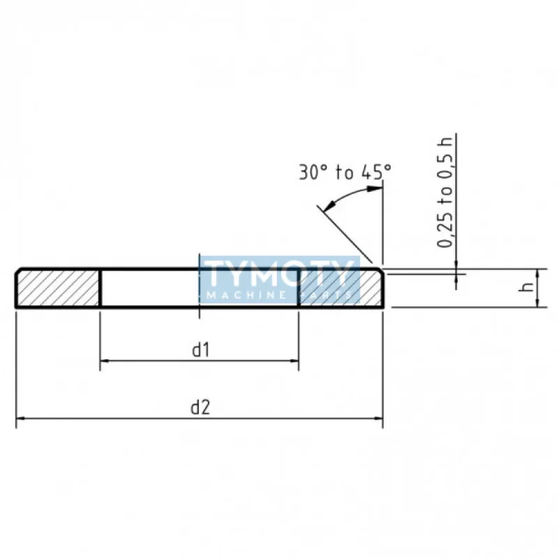
Podložka plochá B MS 4,3

od 0 €
Materi�l
mosaz

Specifikacia Podložka plochá B MS 4,3


Top