Jaaj.sk je nový FREE porovnávač produktov a cien. Budujeme AI alternatívu ku klasickým porovnávačom

Spúšťame databázu
Produkty • kategórie • porovnania

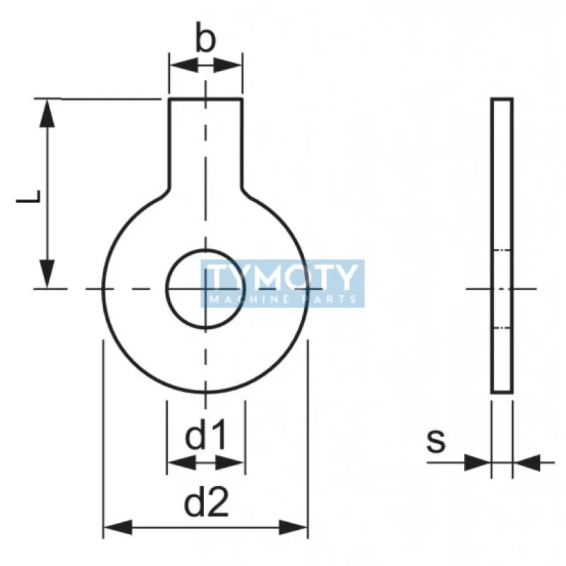
Podložka poj.s jazýčkom ZB 5,3

Podložka s poistným jazýčkom ZB 5,3 je mechanický komponent určený na zabezpečenie spoľahlivého spojenia v montážnych zostavách. Tento typ podložky je vyrábaný podľa normy DIN 93 a ČSN 021751.15, čo…

od 0 €

Specifikacia Podložka poj.s jazýčkom ZB 5,3


Podložka s poistným jazýčkom ZB 5,3 je mechanický komponent určený na zabezpečenie spoľahlivého spojenia v montážnych zostavách. Tento typ podložky je vyrábaný podľa normy DIN 93 a ČSN 021751.15, čo zaručuje jej kvalitu a kompatibilitu s ďalšími komponentmi v súlade s týmito normami. Podložka má vnútorný priemer 5,3 mm, čo ju predurčuje na použitie s upevňovacími prvkami, ako sú skrutky alebo matice, s vonkajším priemerom závitu zodpovedajúcim tomuto rozmeru. Jej konštrukcia obsahuje jazýček, ktorý slúži ako poistný prvok. Tento jazýček sa po montáži ohne a zaprie o plochu matice alebo skrutky, čím zabraňuje nežiaducemu uvoľneniu spoja v dôsledku vibrácií alebo dynamického zaťaženia. Materiál, z ktorého je podložka vyrobená, je zvyčajne oceľ s povrchovou úpravou, ktorá zvyšuje jej odolnosť voči korózii a mechanickému opotrebeniu. Povrchová úprava môže byť realizovaná zinkovaním alebo inými metódami, ktoré zabezpečujú dlhodobú ochranu v rôznych prevádzkových podmienkach.Podložka s poistným jazýčkom ZB 5,3 je ideálna pre použitie v priemyselných aplikáciách, kde je potrebné zabezpečiť vysokú spoľahlivosť spoja, ako napríklad v strojárstve, automobilovom priemysle alebo v stavebníctve. Jej použitie je vhodné všade tam, kde je potrebné zabrániť samovoľnému uvoľneniu spojovacích prvkov, čím sa zvyšuje celková bezpečnosť a stabilita konštrukcie.

Top